0323-1090-65-07
Pupitre H123
- Pupitre avec ou sans platine de montage
- Utilisation comme pupitre de commutation ou de commande
Description du produit
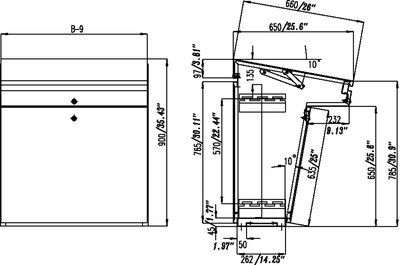
Fermeture : Double barre 3 mm
Plateau du pupitre : Compas-béquille à droite (à partir de L =1000 mm des deux côtés)
Platine de montage : Tôle d’acier galvanisée, réglable en profondeur
Plaque d’entrée de câbles : Fixée par l’intérieur
Étanchéité : Joint d’étanchéité spécial injecté
Raccordement à la terre selon DIN EN 61439-1, goujons sur le pupitre, portes et platine de montage
Portes enfichables à l’avant et l’arrière
Caractéristiques techniques
-
Référence: 0323-1090-65-07
-
Matériau: Tôle d’acier
-
Variante: sans platine de montage
-
Dimension: Largeur : 1000 mm Épaisseur : 900 mm Profondeur : 650 mm
-
Epaisseur de tôle: Porte: 1,5 mm
Consoles: 2 mm -
Finition: Revêtement poudre RAL 7035, structuré
-
Indice de protection: Conçu suivant IP55
-
Type d’armoire: Systèmes de pupitres
Remarque
- Autres types de fermeture sur demande.
- Variantes en acier inox sur demande.
- Pupitre complet avec plaque d’entrée de câbles et 1 clé
0346-1001-26-17
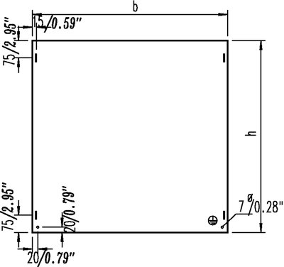
Socle type 0346, hauteur 100 mm pour pupitres
Largeur
1000 mm
Matière
Tôle d’acier
Taile de la prisege
262 mm
0320-0010-72-13
Platine de montage pleine type 0320 pour pupitres H122 et H123
Convient pour largeur
1000 mm
Données CAD et autres formats de fichiers:
Nous avons besoin de votre consentement. [Espace réservé]
This content is provided by WSCAD GmbH. If you activate the content, personal data may be processed and cookies may be set.
Contact pour les produits
Trouvez votre interlocuteur personnel
Nous sommes à votre disposition
Les armoires de commande et les coffrets optimaux ne sont pas créés à la chaîne, mais en discutant avec vous. Vous êtes prêt ? Alors, parlez-en tout de suite à votre conseiller personnel häwa.