
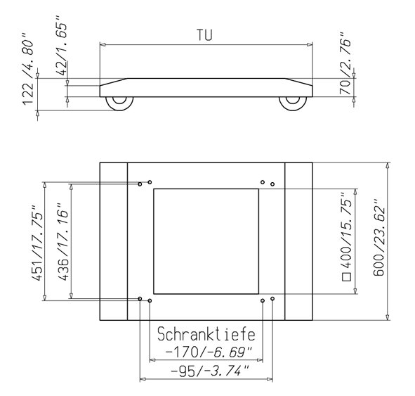
0396-6000-80-27
Socle roulant
Caractéristiques techniques
-
Référence: 0396-6000-80-27
-
Dimension: Convient pour profondeur : 800 mm
-
Variante: X x X x 800 mm
-
Finition: Revêtement poudre RAL 7022, structuré
-
Matériau: Tôle d’acier
-
Roulettes: Quatre roulettes orientables
-
Charge admissible: 240 kg environ
-
Epaisseur de tôle: 2 mm
-
Profondeur totale (TU): 990 mm
- Socle roulant livré complet avec quatre roulettes orientables montées.

0395-6018-82-07
Armoire juxtaposable en tôle d‘acier H395, portes avant et arrière
Largeur
600 mm
Épaisseur
1800 mm
Profondeur
800 mm
Variante
sans platine de montage
Indice de protection
IP55, IP56 en option
Type 1, 12, 3R en option
Type 1, 12, 3R en option
Agrément
cULus

0395-6018-82-17
Armoire juxtaposable en tôle d‘acier H395, portes avant et arrière
Largeur
600 mm
Épaisseur
1800 mm
Profondeur
800 mm
Variante
avec platine de montage
Indice de protection
IP55, IP56 en option
Type 1, 12, 3R en option
Type 1, 12, 3R en option
Agrément
cULus

0395-6020-82-07
Armoire juxtaposable en tôle d‘acier H395, portes avant et arrière
Largeur
600 mm
Épaisseur
2000 mm
Profondeur
800 mm
Variante
sans platine de montage
Indice de protection
IP55, IP56 en option
Type 1, 12, 3R en option
Type 1, 12, 3R en option
Agrément
cULus

0395-6020-82-17
Armoire juxtaposable en tôle d‘acier H395, portes avant et arrière
Largeur
600 mm
Épaisseur
2000 mm
Profondeur
800 mm
Variante
avec platine de montage
Indice de protection
IP55, IP56 en option
Type 1, 12, 3R en option
Type 1, 12, 3R en option
Agrément
cULus
Données CAD et autres formats de fichiers:
Contact pour les produits
Trouvez votre interlocuteur personnel
Nous sommes à votre disposition
Les armoires de commande et les coffrets optimaux ne sont pas créés à la chaîne, mais en discutant avec vous. Vous êtes prêt ? Alors, parlez-en tout de suite à votre conseiller personnel häwa.

