
1208-1300-20-00
Profilé
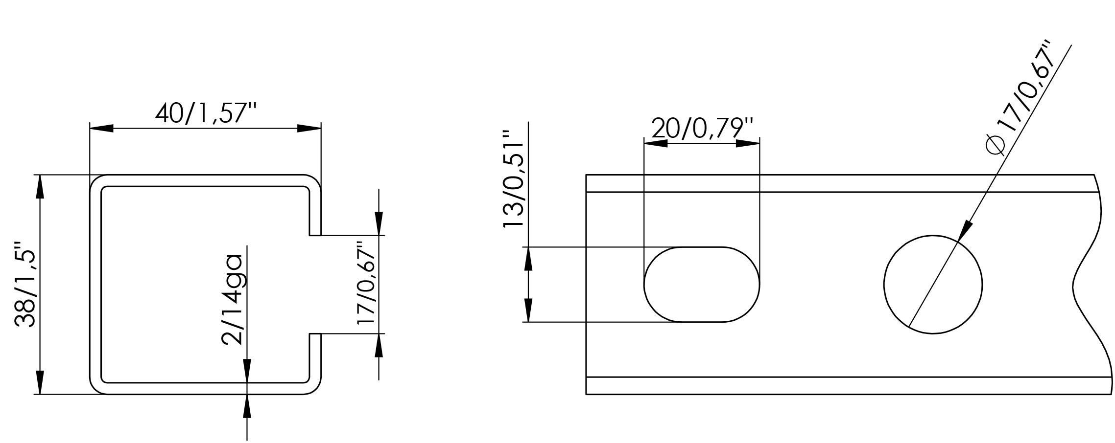
Description du produit
Peut être utilisé comme support ou comme traverse de suspension.
Caractéristiques techniques
-
Référence: 1208-1300-20-00
-
Poids: 3.7 kg
-
Dimension: L = 2 000 mm
-
Matériau: Tôle d’acier
- 1 profilé
Données CAD et autres formats de fichiers:
Contact
Trouvez votre interlocuteur personnel
Nous sommes à votre disposition
Les armoires électriques et les boîtiers optimaux ne sont pas créés à la chaîne, mais en discutant avec vous. Vous êtes prêt ?
Alors, parlez-en tout de suite à votre conseiller personnel häwa.

